Popis produktu:
Parametry produktu lamelového pneumatického motoru AMV3.9:
Výkon: 3,9KW, koňská síla: 5,2HP, točivý moment: 14,8N.m, otáčky naprázdno: 2500RPM, spotřeba vzduchu: 4800L/min, hmotnost: 10,3-14,9KG (různé způsoby instalace, různé hmotnosti), k dispozici jsou tři způsoby instalace: vertikální, horizontální, příruba, volitelný ruční ovládací ventil, brzda, převodovka, regulátor.
Standardní vlastnosti:
Použití stlačeného vzduchu jako zdroje energie je bezpečné a odolné proti výbuchu. Výrobek má certifikát nevýbušnosti a splňuje národní bezpečnostní normy. Vysoké otáčky a vysoký kroutící moment se kvůli přetížení nespálí. Rychlost se nastavuje plynule. Ovládací ventil se používá k přepínání startu, seřízení a zastavení a směr vpřed a vzad lze okamžitě změnit. Motor je navržen tak, aby byl uzavřen jako celek a může být použit v prašném, vlhkém a drsném prostředí. Je široce používán v chemickém průmyslu, polovodičích, krystalech, petrochemii, biochemické technologii, továrnách na barvy, automatizovaných strojích a dalších průmyslových odvětvích.
Pracovní prostředí:
Kapalina: Stlačený vzduch
Použití tlaku: 5 kg/cm 2 (70 psi)
Maximální pracovní tlak: 6 kg/cm 2 (85 psi)
Okolní teplota: -10°C~ 70°C (lze použít pouze v nemrznoucím stavu)
Mazací olej: IS0VG32 nebo podobný. (Je nutné přidávat olej s olejovou mlhou, 2~3 kapky za minutu).
Nepřetržité používání: Ano (nelze běžet nepřetržitě bez zatížení).
Doporučená rychlost: (0,3~1) x maximální výstupní rychlost.
Detailní parametry
AMV3.9-F
AMV3,9-L
AMV3.9-IEC
| Model | Převodový poměr | Datum při maximálním výkonu | Data při maximálním točivém momentu | Hmotnost (KG) | ||||||||
| Moc | Točivý moment | Rychlost | Spotřeba vzduchu | Maximální točivý moment | Vertikální | Horizontální | Příruba | |||||
| H P | KW | N.m | lbf.ft | ot./min | L/min | N.m | lbf.ft | KG | KG | KG | ||
| AMV3.9 | 5.2 | 3.9 | 14.8 | 10.7 | 2500 | 4800 | 21 | 15.5 | 10.3 | 10.8 | 14.9 | |
| 1/3 | 40 | 29.5 | 830 | 55 | 40.6 | 40.9 | 40 | ※ | ||||
| 1/5 | 65 | 47.9 | 500 | 98 | 72.3 | |||||||
| 1/10 | 131 | 96.7 | 250 | 203 | 149.8 | |||||||
| 1/20 | 259 | 191.1 | 125 | 4950 | 402 | 296.7 | ||||||
| 1/40 | 396 | 377.9 | 80 | 625 | 461.3 | 51.2 | 64.5 | ※ | ||||
| 1/50 | 628 | 463.4 | 50 | 1017 | 750.5 | |||||||
| 1/60 | 715 | 527.7 | 40 | 1168 | 862 | |||||||
| 1/100 | 1275 | 941 | 25 | 2075 | 1531 | |||||||
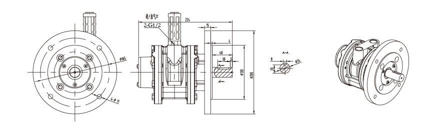
Instalační rozměry AMV3.9
| |
| AMV3.9-F Vertikální | AMV3,9-L Horizontální |
| |
| Příruba AMV3.9-IEC |
| ŽÁDNÝ. | Jméno | Množství | ŽÁDNÝ. | Jméno | Množství |
| 1 | Koncový uzávěr | 1 | 10 | Rotor motoru | 1 |
| 2 | Koncové ložisko pohonu | 1 | 11 | Vyhazovač | 4 |
| 3 | O-kroužek | 2 | 12 | Listová pružina | 4 |
| 4 | Koncové ložisko pohonu | 1 | 13 | Čepel | 4 |
| 5 | Hmoždinka | 2 | 14 | Kryt motoru | 1 |
| 6 | Koncová deska pohonu | 1 | 15 | Ložisko | 1 |
| 7 | Těsnění těla | 2 | 16 | Krycí uzávěr | 1 |
| 8 | Vane Spring | 4 | 17 | Kryt motoru | 1 |
| 9 | Klíčový prodej | 1 |

V moderních průmyslových výrobních systémech výkon výkonných jednotek přímo určuje účinnost a stabilitu výrobních procesů. Jako hnací zařízení používající stlačený vzduch jako jeho základní zdroj e...
Zobrazit víceV moderním průmyslu výběr zařízení pro přenos energie přímo ovlivňuje účinnost výroby a provozní stabilitu. Jako hnací zařízení poháněné stlačeným vzduchem Pozitivní posun na peneumatický m...
Zobrazit víceV RozleHlé aréně moderní průmyslové Výroby je ZveDaci Zařízené nepostradatelným „Zákulisním Hrdinou“, Kteý Tiše podporuje Hladkový Provoz různých v ýroBNísů. Mezi Nimi, Pneumatické řetězovy...
Zobrazit víceZůstaňte ve spojení